Aukšto tikslumo klasė 0.5 - pateikia tikslų matavimo ir stebėjimo programų matavimą.
Platus matavimo diapazonas - palaiko kelis srovės santykius, kad tilptų įvairios apkrovos sąlygos.
Kompaktiškas ir lengvas dizainas - lengvai montuojamas įtemptose vietose, nepakenkiant našumui.
Puikus šiluminis stabilumas - užtikrina stabilų veikimą net esant svyruojančiai temperatūrai.
Stipri izoliacija ir sauga - atitinka pramonės saugos standartus, siūlančius patikimą apsaugą nuo elektros gedimų.
Universalios programos - idealiai tinka naudoti energijos paskirstymo skydeliuose, pramoninėje automatizavime ir atsinaujinančios energijos sistemose.
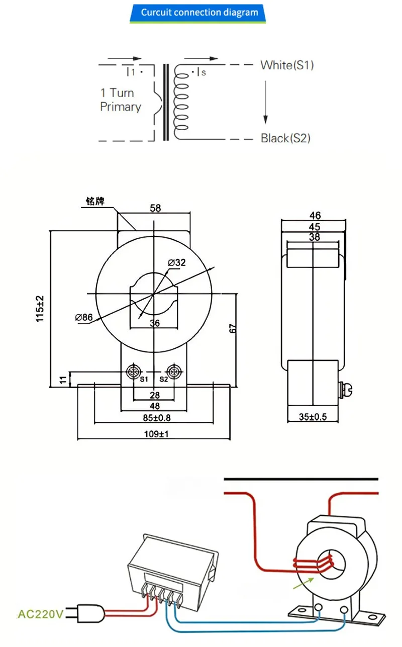
Įvertinta pirminė srovė: pritaikoma (pvz., 5a ~ 2000a)
Įvertinta antrinė srovė: 5A arba 1A (standartas)
Tikslumo klasė: 0,5
Dažnis: 50Hz/60Hz
Izoliacijos lygis: iki 3KV
Darbinė temperatūra: -25 ° C iki +70 ° C
Galios matavimas ir energijos stebėjimas
Apsaugos relės ir grandinės pertraukikliai
Pramoninės ir komercinės elektros sistemos
Saulės ir vėjo galios įrenginiai

Adresas
Xiangyang pramonės zona, Yueqing, Zhejiang, Kinija
Tel
paštas